Home    Forum    Cerca    FAQ    Iscriviti    Login


Nuova Discussione  Rispondi alla Discussione 
Pagina 1 di 1
 
 
Modifica Big Muff
Autore Messaggio
Rispondi Citando   Download Messaggio  
Messaggio Modifica Big Muff 
 
Vorrei modificare il mio amatissimo Big Muff russo ed aggiungerci un potenziometro Blend per miscelare il segnale pulito al segnale distorto... qualcuno di voi puo' suggerirmi come fare, dato che io sono un completoignorante in materia?
Grazie!!!
 




Io uso: plettro e dita

____________________
I'm going where the water tastes like wine, we can jump in the water, stay drunk all the time.

www.myspace.com/madeinjailband
www.myspace.com/fatpoli

Fatpoli live on Youtube
 
Fatpoli Invia Messaggio Privato HomePage MSN Live
Torna in cimaVai a fondo pagina
Rispondi Citando   Download Messaggio  
Messaggio Re: Modifica Big Muff 
 
Citofona jigen
 




Io uso: plettro e dita

____________________
M'importa'na sega!


www.myspace.com/acomea
 
Warcorv Invia Messaggio Privato
Torna in cimaVai a fondo pagina
Rispondi Citando   Download Messaggio  
Messaggio Re: Modifica Big Muff 
 
Ecco, se poi ci riesci ci troviamo qui a br?sa e mi fai sentire come suona col blend... magari lo faccio anche col mio nano muff...
 




Io uso: plettro e dita

____________________
Empty box
I tore open the package it was an empty box
no meaning to me just an empty box
sender was a woman
she said she's sending me everything I never gave her before
she said: fill it up and send it back
So I sent her back an empty box, half in the shadows, half in the husky moonlight and half insane.


http://www.myspace.com/vancleefcontinental
http://soundcloud.com/andreavancleef
http://www.vancleefcontinental.com

wireanimal is powered by beer, hurry and unsure reasons.
 
wireanimal Invia Messaggio Privato HomePage
Torna in cimaVai a fondo pagina
Rispondi Citando   Download Messaggio  
Messaggio Re: Modifica Big Muff 
 
ok...premetto che il blend ? fra le modifiche quella ancora allo stato pi? "grezzo"...sia perch? il tempo per lavorarci ? un p? pochino, sia perch? ultimamente non lo sto usando in nessuna situazione (il muff) e quindi diciamo che non rientra nelle mie priorit?.

in ogni caso, allo stato attuale delle cose, ho montato un semplicissimo pot da 47k, lineare, con i 2 piedini esterni collegati all'out del buffer (a valle del condensatore C4) e all'out del volume del distorto (piedino centrale dell'ultimo pot).

il piedino centrale del pot del blend finisce in uno switch dpdt (opzionale, serve ad escludere il blend e a tenere il pedale con la circuitazione originale) e da qui va direttamente all'output.

pregi: costo zero e facilit? di montaggio (un pot e uno switch)
difetti: estrema sensibilit? alle regolazioni, e risultato "incerto", dovuto al fatto che avviene una miscelazione in passivo.

inoltre il volume della distorsione ? a monte del blend, quindi la regolazione avviene regolando sia il pot del blend che il volume della distorsione, anche qui un vantaggio ? che si pu? escludere del tutto la distorsione e usare il muff come boost...lo svantaggio ? una certa macchinosit? nel trovare una regolazione ideale.


credo che la prima cosa che far? sar? sostituire il pot semplice con un pot doppio da blending, di quelli che si usano per miscelare i pickup sui bassi...ovviamente...con molta calma....
 




Io uso: plettro e dita

____________________
"i am sitting in a room...". mf_zippy
 
jigen Invia Messaggio Privato Invia Email MSN Live Skype
Torna in cimaVai a fondo pagina
Rispondi Citando   Download Messaggio  
Messaggio Re: Modifica Big Muff 
 
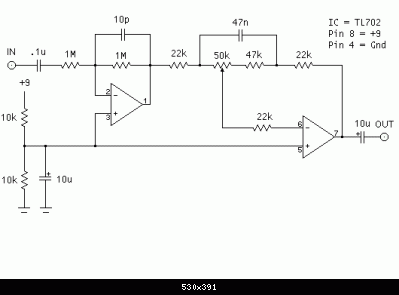
io direi che bisogna aggiungere una parte di circuito all'effetto: un sommatore.

per spiegarmi un operazionele che faccia il lavorro di un mixer.
blendcircuit

ecco il circuti. il set dist pot serve a bilanciare il volume max della distorsione da mixare. semplice ed efficace (l'ho messo anche sul mio big muff
 




Io uso: solo le dita
 
Massy Invia Messaggio Privato MSN Live Skype
Torna in cimaVai a fondo pagina
Rispondi Citando   Download Messaggio  
Messaggio Re: Modifica Big Muff 
 
^^^

si ma la regolazione del livello del distorto la da direttamente il pot del volume del muff.

in pratica ? lo stesso circuito che ho usato io (la miscelazione avviene in passivo) con l'aggiunta di un bufferino a valle...
vantaggi?
 




Io uso: plettro e dita

____________________
"i am sitting in a room...". mf_zippy
 
jigen Invia Messaggio Privato Invia Email MSN Live Skype
Torna in cimaVai a fondo pagina
Rispondi Citando   Download Messaggio  
Messaggio Re: Modifica Big Muff 
 
se prendi il blend dall'inpu e il dist dal'ultimo stadio del muff hai na regolazione + fine e lineare
 




Io uso: solo le dita
 
Massy Invia Messaggio Privato MSN Live Skype
Torna in cimaVai a fondo pagina
Rispondi Citando   Download Messaggio  
Messaggio Re: Modifica Big Muff 
 
^^^

se prendi il blend dall'input hai un segnale ad alta impedenza (a meno di pedalini bufferizzati a monte, o basso attivo), mentre il distorto a valle dell'ultimo stadio ? un segnale a bassa impedenza...

prendendo il pulito a valle del condensatore C4, ovvero a valle del buffer (o primo stadio di amplificazione) hai un segnale ugualmente pulito (e boostato) ma a bassa impedenza.

in questo caso dovresti avere meno problemi rispetto ad una miscelazione di due segnali ad impedenze diverse...


in ogni caso, l'importante ? il risultato...se per te ? pi? comodo cos?, buona anche la tua
 




Io uso: plettro e dita

____________________
"i am sitting in a room...". mf_zippy
 
jigen Invia Messaggio Privato Invia Email MSN Live Skype
Torna in cimaVai a fondo pagina
Rispondi Citando   Download Messaggio  
Messaggio Re: Modifica Big Muff 
 
Ok, grazie mille... penso che attuero' la modifica di Jigen perche' sono un ignorante...    e non mettero' nemmeno il DPDT per lo stesso motivo...
Jigen appena metti il pot doppio potresti spiegarmi come fare? Grazie!
 




Io uso: plettro e dita

____________________
I'm going where the water tastes like wine, we can jump in the water, stay drunk all the time.

www.myspace.com/madeinjailband
www.myspace.com/fatpoli

Fatpoli live on Youtube
 
Fatpoli Invia Messaggio Privato HomePage MSN Live
Torna in cimaVai a fondo pagina
Rispondi Citando   Download Messaggio  
Messaggio Re: Modifica Big Muff 
 
Jigen, si e' vero per me l'input e' lo stadio buffer , l'output e' lo stadio prima dell'uscita. Scusa il malinteso, scrivevo moolto di fretta
La comodita' e' che avendo poi un integrato a valle della miscelazione, questa non rimane passiva e non e' dipendente dal'impedenza di ingresso del dispositivo successivo. La tua idea del DPDT secondario per mettere e togliere il BLEND e' buona! devo implementarla anche sul mio.
Ovvio nessun astio ne voglia di essere piu' bravo di te   questo e' solo come l'ho fatto io
 




Io uso: solo le dita
 
Massy Invia Messaggio Privato MSN Live Skype
Torna in cimaVai a fondo pagina
Rispondi Citando   Download Messaggio  
Messaggio Re: Modifica Big Muff 
 
^^^

si ma il tono era del tutto amichevole!  

rileggendo ora a mente fresca in effetti pu? apparire un p? duro...

e in ogni caso io non sono per niente "bravo" con ste cose...apro il pedale, provo diverse soluzioni "a caso" quella che va meglio uso
(non a caso provengo dal circuitbending...ignoranza allo stato puro!   )


quelli bravi sono altri  
 




Io uso: plettro e dita

____________________
"i am sitting in a room...". mf_zippy
 
jigen Invia Messaggio Privato Invia Email MSN Live Skype
Torna in cimaVai a fondo pagina
Rispondi Citando   Download Messaggio  
Messaggio Re: Modifica Big Muff 
 
Massy, come ti sei trovato con la tua soluzione? tutto ci? sostituisce l'acquisto di un Line selector...  
 




Io uso: plettro e dita

____________________
Powered by Fender, Spector, Orange, Ampeg
 
Rispondi Citando   Download Messaggio  
Messaggio Re: Modifica Big Muff 
 
^^^ l'ho fatto apposta per non spendere 100 euro per un line selector   
 




Io uso: solo le dita
 
Massy Invia Messaggio Privato MSN Live Skype
Torna in cimaVai a fondo pagina
Rispondi Citando   Download Messaggio  
Messaggio Re: Modifica Big Muff 
 
Dal punto di vista qualitativo, intendo, hai riscontrato problemi, che ne so di perdita di segnale, di alcune frequenze?
p.s. parlo da assoluto ignorante in materia
 




Io uso: plettro e dita

____________________
Powered by Fender, Spector, Orange, Ampeg
 
Rispondi Citando   Download Messaggio  
Messaggio Modifica Big Muff Ottimizzarlo Per Il Basso 
 
Salve ragazzi,

Ho acquistato da poco un big muff e ho letto in giro che si posso fare delle piccole modifiche per ottimizzare la resa sul basso, tipo bypassare il controllo dei toni, aggiungere la possibilit? di miscelare la quantit? di segnale distorto con il pulito e renderlo true bypass...avete idea di come fare o comunque potete segnalarmi un link che spiega il tutto?

Grazie
 




Io uso: solo le dita
 
Ultima modifica di Kublai il Lun 21 Set, 2009 19:48, modificato 1 volta in totale 
Fleoslapper88 Invia Messaggio Privato MSN Live
Torna in cimaVai a fondo pagina
Rispondi Citando   Download Messaggio  
Messaggio Re: Modifica Big Muff 
 
http://forum.megabass.IT/viewtopic.php?t=24517&highlight=

 
 




Io uso: plettro e dita

____________________
"i am sitting in a room...". mf_zippy
 
jigen Invia Messaggio Privato Invia Email MSN Live Skype
Torna in cimaVai a fondo pagina
Rispondi Citando   Download Messaggio  
Messaggio Modifica Big Muff Russo 
 
salve a tutti, ho letto in alcune pagine che ? possibile modificare il big muff con, ne dico uno per esempio, un blend...
vorrei sapere da voi:

-quali altre modifiche ? possibile fare su questo pedale(? il big muff russo, quello nero per intenderci)
-cosa cambia facendo queste modifiche


...n.b. se disponete anche di schemi non esitate...andrei solo che meglio a lavorare
 




Io uso: solo le dita

____________________
Il mio profilo Diaspora*.
 
de rosso Invia Messaggio Privato Invia Email HomePage MSN Live
Torna in cimaVai a fondo pagina
Rispondi Citando   Download Messaggio  
Messaggio Re: Modifica Big Muff Russo 
 
Io ho un paio di schemi, di cui una modifica per inserire un blend.

Se mi dai un indirizzo di posta te li mando.

Non so che effetto abbia perch? non uso mai effetti.

Ciao
 




Io uso: solo le dita

____________________
Non c'è nulla di più pratico di una buona teoria. (Richard Phillips Feynman, Premio Nobel per la Fisica)

Elementi di Acustica delle Basse Frequenze - Volume I
 
Gianco Invia Messaggio Privato HomePage
Torna in cimaVai a fondo pagina
Rispondi Citando   Download Messaggio  
Messaggio Re: Modifica Big Muff Russo 
 
Il blend serve per miscelare a piacimento (tramite pot) segnale pulito con segnale effettato.
 




Io uso: plettro e dita

____________________
Powered by Fender, Spector, Orange, Ampeg
 
Rispondi Citando   Download Messaggio  
Messaggio Re: Modifica Big Muff Russo 
 
Gianco ha scritto: [Visualizza Messaggio]

Se mi dai un indirizzo di posta te li mando.



beh, puoi usare msn:
ma di che modifiche si tratta?
 




Io uso: solo le dita

____________________
Il mio profilo Diaspora*.
 
de rosso Invia Messaggio Privato Invia Email HomePage MSN Live
Torna in cimaVai a fondo pagina
Rispondi Citando   Download Messaggio  
Messaggio Re: Modifica Big Muff 
 
de rosso, ho unito la tua discussione
ad un'altra gi? aperta

P.S. non uppare tutti i 3d sul Big Muff
 




Io uso: solo le dita

____________________
www.Megabass.it - Megabass - Il Sito
http://forum.megabass.it/
http://wiki.megabass.it/
 
Kublai Invia Messaggio Privato Invia Email HomePage Skype
Torna in cimaVai a fondo pagina
Rispondi Citando   Download Messaggio  
Messaggio Re: Modifica Big Muff 
 
allora, mi sto apprestando a fare sta benedetta modifica (che chiamerei pi? stravolgimento) con l'aggiunta del blend e del bass boost

il blend lo metto cos? (le frecce arancioni le ho fatte io con paint, non avevo mezzi migliori):
 modifica



ma quello che non so...?: il bass boost,
 bassbooster

dove devo ficcarlo? fuori o dentro al blender? prima o dopo al big muff?!
 




Io uso: solo le dita

____________________
Il mio profilo Diaspora*.
 
Ultima modifica di de rosso il Lun 05 Ott, 2009 18:55, modificato 1 volta in totale 
de rosso Invia Messaggio Privato Invia Email HomePage MSN Live
Torna in cimaVai a fondo pagina
Rispondi Citando   Download Messaggio  
Messaggio Re: Modifica Big Muff 
 
quel circuito di blend ? originariamente il bblend http://seanm.ca/stomp/bblender.html modificato da me in un altra discussione per ottenede qualcosa del genere http://www.xotic.us/effects/x_blender ...il circuito per? non l'ho mai realizzato in realt?...

allo stato attuale opterei per il circuito di Massy http://www.postimage.org/image.php?v=gx47b3k9 che risulta pi? semplece ma anche io eviterei il primo trimmer che mi sembra un po' inutile...l'unico dubbio ? che sul circuito sta scritto che lavora a 10V ma credo che anche i 9V che circolano di solito nei nostri effetti possano bastare...giusto Massy?

per il bass boost puoi aggiungerlo in due punti secondo me:
- tra il pot del volume del muff e il circuito del blend....in questo caso il boost verr? applicato solo al canale del muff
- dopo il circuito di blend...in questo caso il boost verr? applicato al segnale miscelato

dovresti fare delle prove e vedere....

ps:cmq senti anche altri pareri perch? la mia istruzione nell'elettronica si ? fermata alle superiori :p
 




Io uso: solo le dita
 
Ultima modifica di Kublai il Dom 07 Nov, 2010 10:55, modificato 1 volta in totale 
Modificato da Kublai, Dom 07 Nov, 2010 10:55: ? vietato quotare il messaggio precedente per intero
sorianonet Invia Messaggio Privato
Torna in cimaVai a fondo pagina
Mostra prima i messaggi di:    
 

Nuova Discussione  Rispondi alla Discussione  Pagina 1 di 1
 


NascondiQuesto argomento è stato utile?
Condividi Argomento
Segnala via email Facebook Twitter Windows Live Favorites MySpace del.icio.us Digg SlashDot google.com LinkedIn StumbleUpon Blogmarks Diigo reddit.com Blinklist co.mments.com
technorati.com DIGG ITA linkagogo.com meneame.net netscape.com newsvine.com yahoo.com Fai Informazione Ok Notizie Segnalo Bookmark IT fark.com feedmelinks.com spurl.net
Inserisci un link per questo argomento
URL
BBCode
HTML
 
NascondiArgomenti Simili
Argomento Autore Forum Risposte Ultimo Messaggio
No Nuovi Messaggi Piccola modifica a preamp Duncan Gianni BassBuilding© 16 Mar 23 Mag, 2006 07:01 Leggi gli ultimi Messaggi
TGD
No Nuovi Messaggi Tecnico per modifica Loop in serie su LMK ... GhY Ampli&Co. 21 Gio 09 Dic, 2010 10:25 Leggi gli ultimi Messaggi
Lemmolo
No Nuovi Messaggi [info] Riparazione/modifica Switch EBS Mul... blackemperor BassBuilding© 3 Dom 02 Gen, 2011 10:11 Leggi gli ultimi Messaggi
Giaime
 




 
Lista Permessi
Non puoi inserire nuovi Argomenti
Non puoi rispondere ai Messaggi
Non puoi modificare i tuoi Messaggi
Non puoi cancellare i tuoi Messaggi
Non puoi votare nei Sondaggi
Non puoi allegare files
Non puoi scaricare gli allegati
Non puoi inserire eventi calendario